YUNPEN USA

YF-T8 SERIES
1. FEATURES
  • Low cost type
  • Printed circuit terminals
  • All parts are approved by UL, VDE and CSA

2. SPECIFICATIONS
ITEM \ MODEL
YF01T8
YF03T8
YF06T8
YF10T8
RATED VOLTAGE
250V AC
250V AC
250V AC
250V AC
RATED CURRENT
1A
3A
6A
10A
LEAK CURRENT
0.8mA MAX 250V,50HZ
0.8mA MAX 250V,50HZ
0.8mA MAX 250V,50HZ
0.8mA MAX 250V,50HZ
TEST VOLTAGE
LINE TO LINE

LINE TO GROUND
1450V DC

2250V DC
1450V DC

2250V DC
1450V DC

2250V DC
1450V DC

2250V DC
INSULATION RESISTANCE
100M ohm MIN 250VDC
100M ohm MIN 250VDC
100M ohm MIN 250VDC
100M ohm MIN 250VDC
DIRECT CURRENT RESISTANCE
0.5 ohm MAX
0.2 ohm MAX
0.15 ohm MAX
0.1 ohm MAX
TEMPERATURE RISE
30C MAX
30C MAX
30C MAX
30C MAX
OPERATING TEMPERATURE
-25 ~ +85C
-25 ~ +85C
-25 ~ +85C
-25 ~ +85C
ATTENUATION
NORMAL MODE 25dbMIN

COMMON MODE 25dbMIN
0.50 ~ 50MHZ

0.10 ~ 50MHZ
0.70 ~ 40MHZ

0.20 ~ 35MHZ
1.00 ~ 50MHZ

0.70 ~ 50MHZ
1.50 ~ 50MHZ

1.50 ~ 50MHZ
CX
0.1uF
0.1uF
0.1uF
0.1uF
CY
3300pF*2
3300pF*2
3300pF*2
3300pF*2
INDUCTANCE
3.7mH*2
1.8mH*2
0.7mH*2
0.3mH*2
RESISTANCE
1.5MOHM
1.5MOHM
1.5MOHM
1.5MOHM

3. NOISE ATTENUATION (dB)
COMMON MODE (LINE TO GROUND) IN 50 OHM SYSTEM
TYPE CURRENT FREQUENCY-MHZ
RATING 0.15 0.5 1.0 5.0 10.0 30.0
YF01T6 1A 26 39 43 44 50 26
YF03T6 3A 20 32 36 35 26 18
YF06T6 6A 12 20 25 38 44 39
YF10T6 10A 6 15 21 34 41 35
DIFFERENTIAL MODE (LINE TO LINE) IN 50 OHM SYSTEM
YF01T6 1A 8 19 27 44 45 22
YF03T6 3A 7 17 23 37 38 18
YF06T6 6A 6 16 21 45 46 37
YF10T6 10A 4 13 20 43 46 35

4. CIRCUIT

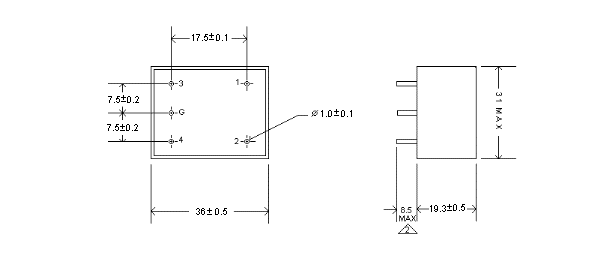
5. DIMENSION(mm)

YF01T8~YF10T8



Download yft8.pdf Specification File (65K)

Home

Product Index
Series Description
Inquiry Form

Company Profile


Copyright 2001 PROKOMA CORPORATION