2. SPECIFICATIONS
|
ITEM
\ MODEL
|
YP60T8
|
YP80T10
|
YP100T10
|
YP150T12
|
|
RATED
VOLTAGE
|
500V
AC
|
500V
AC
|
500V
AC
|
500V
AC
|
|
RATED
CURRENT
|
60A
|
80A
|
100A
|
150A
|
|
LEAK
CURRENT
|
82mA
MAX 500V,50HZ
|
82mA
MAX 500V,50HZ
|
82mA
MAX 500V,50HZ
|
82mA
MAX 500V,50HZ
|
|
TEST
VOLTAGE
|
LINE
TO LINE
LINE
TO GROUND
|
1450V
DC
2250V
DC
|
1450V
DC
2250V
DC
|
1450V
DC
2250V
DC
|
1450V
DC
2250V
DC
|
|
INSULATION
RESISTANCE
|
100M
ohm MIN 500VDC
|
100M
ohm MIN 500VDC
|
100M
ohm MIN 500VDC
|
100M
ohm MIN 500VDC
|
|
DIRECT
CURRENT RESISTANCE
|
0.04
ohm MAX
|
0.04
ohm MAX
|
0.04
ohm MAX
|
0.04
ohm MAX
|
|
TEMPERATURE
RISE
|
30C
MAX
|
30C
MAX
|
30C
MAX
|
30C
MAX
|
|
OPERATING
TEMPERATURE
|
-25
~ +85C
|
-25
~ +85C
|
-25
~ +85C
|
-25
~ +85C
|
|
CX
|
2.2uF*6
|
2.2uF*6
|
2.2uF*6
|
2.2uF*6
|
|
CY
|
30000pF*3
|
30000pF*3
|
30000pF*3
|
30000pF*3
|
|
INDUCTANCE
|
0.8mH*6
|
0.35mH*6
|
0.09mH*6
|
0.07mH*6
|
3.
NOISE ATTENUATION (dB)
| COMMON
MODE (LINE TO GROUND) IN 50 OHM SYSTEM |
| TYPE |
CURRENT |
FREQUENCY-MHZ |
| RATING |
0.15 |
0.5 |
1.0 |
5.0 |
10.0 |
30.0 |
| YP60T8 |
60A |
41 |
46 |
45 |
44 |
42 |
21 |
| YP80T10 |
80A |
41 |
46 |
47 |
41 |
36 |
21 |
| YP100T10 |
100A |
15 |
36 |
43 |
41 |
32 |
19 |
| YP150T12 |
150A |
38 |
40 |
33 |
28 |
22 |
15 |
| DIFFERENTIAL
MODE (LINE TO LINE) IN 50 OHM SYSTEM |
| YP60T8 |
60A |
42 |
45 |
46 |
42 |
38 |
25 |
| YP80T10 |
80A |
60 |
48 |
49 |
43 |
38 |
27 |
| YP100T10 |
100A |
21 |
41 |
46 |
39 |
34 |
21 |
| YP150T12 |
150A |
30 |
47 |
36 |
31 |
25 |
15 |
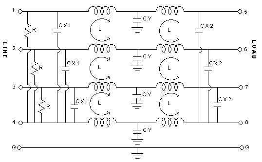
4.
CIRCUIT
YP60T8
YP150T12
5.
DIMENSION(mm)
YP60T8
YP80T10,
YP100T10
YP150T12

Download ypt8t10t12.pdf
Specification File (99K)
|